- Pakiet

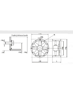
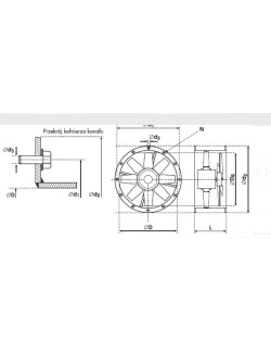
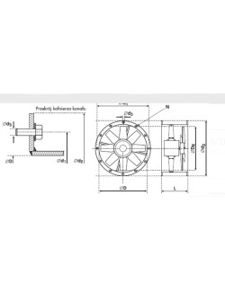
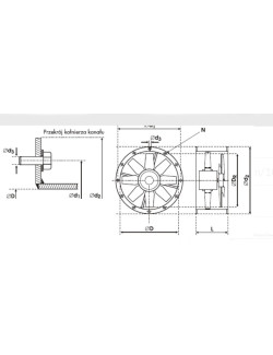
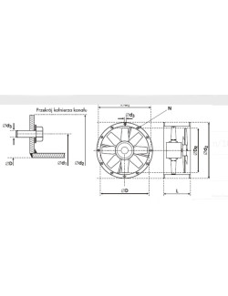
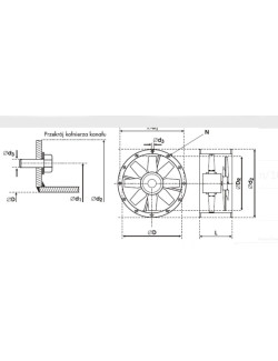
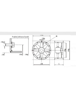
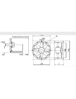
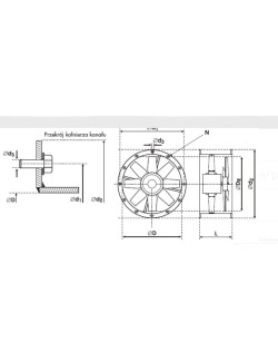
Wentylatory osiowe kanałowe standardowe przeznaczone są do montażu w kanale w dowolnej pozycji.
Obudowy wentylatorów kanałowych wykonane są z wysokiej jakości blachy stalowej, malowanej proszkowo. (Wymiary kołnierzy okrągłych są zgodne z normą PN-ISO 13351).
Wirniki wentylatorów wykonane z polipropylenu (PPG) odlewanego ciśnieniowo i wzmacnianego włóknem szklanym (łopatki) oraz aluminium (AL) odlewanego ciśnieniowo (piasta wirnika).
Przy wyższych wymaganiach dotyczących środowiska pracy stosowane są łopatki wykonane z poliamidu (PAG) wzmocnionego włóknem szklanym lub aluminium (większa odporność na wysokie temperatury i wyższa wytrzymałość).
Silniki wentylatorów asynchroniczne, jednofazowe 230V/50Hz lub trójfazowe 400V/230V/50Hz. Silniki jednofazowe przystosowane są do napięciowej regulacji prędkości obrotowej, a trójfazowe do regulacji za pomocą przemiennika częstotliwości (falownik) i standardowo posiadają zabezpieczenie termiczne.
Stopień ochrony silników IP 66, klasa izolacji F.
Maksymalna temperatura pracy dla wentylatorów standardowych 60oC. Ponadto wentylatory kanałowe mogą zostać wykonane w wersji PT (podwyższona temperatura pracy).
pokaż wszystkie modele
pokaż mniej modeli
Product Comments
Chwilowo nie możesz polubić tej opinii
Zgłoś komentarz
Zgłoszenie wysłane
Twoje zgłoszenie nie może zostać wysłane